Potrzebujesz porady ?

+48 792 484 482 lub napisz sklep@wideodomofony.pl

Wideodomofon cyfrowy 2-żyłowy 5tech Virgo Wi-Fi Czytnik Szyfrator

Dostępność: średnia ilość
Wysyłka w: natychmiast
Dostawa: Cena nie zawiera ewentualnych kosztów płatności sprawdź formy dostawy
Cena: 1 990,00 zł

Cena regularna:

1990.00
Najniższa cena z 30 dni przed obniżką:
ilość szt.

towar niedostępny

dodaj do przechowalni
Ocena: 0
Producent: 5tech
Kod produktu: 1974

Opis

Cyfrowy wideodomofon marki 5tech, z funkcją połączenia na aplikację telefonu (Tuya Smart) to nowoczesne rozwiązanie do domów jednorodzinnych, w którym podłączenie wymaga tylko 2-żyłowej instalacji pomiędzy monitorem domowym a stacją bramową. Zestaw posiada funkcję sterowania furtką oraz bramą z monitora, stacji bramowej (klawiatury) oraz aplikacji telefonu. Monitor posiada trzeci przekaźnik sterujący, który można podłączyć np. do automatu bramy garażowej.

  • Monitor VIRGO z dotykowym ekranem 10'' IPS z wbudowaną kartą WiFi i złączem internetowym
  • Kamera 82225 stacja bramowa Full HD 2Mpx, szeroki kąt widzenia 140°
  • Funkcja sterowania furtką oraz bramą automatyczną
  • Możliwość otwierania furtki oraz bramy niezależnymi kodami ze stacji zewnętrznej
  • Rejestracja osób odwiedzających, zapis w postaci filmów
  • Doświetlenie diodami podczerwieni
  • Czytnik breloków szyfrator, montaż natynkowy
  • Wraz z kamerą osłona daszek natynkowy
  • 4 szt. brelok zbliżeniowy Mifare

Tuya Smart darmowa aplikacja na telefony

  • Obsługa wideodomofonu ze smartfona z dowolnego miejsca na świecie
  • Darmowa aplikacji Tuya Smart dostępna na Android oraz iOS
  • Aplikacja w języku Polskim
  • Możliwość podglądu obrazu z kamery
  • Odbiór połączenia z kamery wideodomofonu oraz rozmowy wraz ze sterowaniem z aplikacji furtką oraz bramą automatyczną
  • Podgląd obrazu z dodatkowych kamer dozoru
  • Podłączenie, obsługa do sześciu telefonów, tabletów z wideodomofonu
  • Aplikacja umożliwia podgląd zdjęć i filmów zarejestrowanych na karcie pamięci monitora.

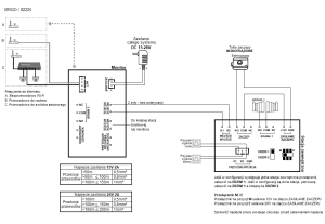
Instalacja 2-żyłowa

  • Najnowsze dwużyłowe rozwiązanie sprawdzi się tam gdzie mamy ograniczoną ilość przewodów. Całość łączymy dwoma żyłami pomiędzy monitorem a stacją zewnętrzną.
  • W stacji zewnętrznej znajdują się dwa przekaźniki, jeden standardowo wykorzystujemy do bramy, drugi do elektrozaczepu.
  • Zasilanie elektrozaczepu realizowane jest bezpośrednio ze stacji zewnętrznej, nie ma potrzeby doprowadzania dodatkowego zasilania. Należy zastosować elektrozaczep niskoprądowy (do 300mA DC).

Monitor 5tech Virgo 10" z kartą Wi-Fi

  • Wyświetlacz dotykowy 10"
  • Rozdzielczość wyświetlania: 1024x600; zapisu: 1920x1080
  • Typ matrycy: IPS
  • Regulacja czasu otwierania zamka 1-10 sekund
  • Możliwość podłączenia dwóch kamer IP (Dahua lub Hikvision) do 2Mpx
  • 5 rodzajów dzwonków do wyboru
  • Regulacja 10 stopniowa głośności dzwonka
  • Możliwość ustawienia różnych dzwonków do 2 drzwi
  • Możliwość podłączenia do sześciu monitorów
  • Sterowanie bramą automatyczną
  • Połączenie od monitora do stacji zewnętrznej dwiema żyłami, zasilanie zaczepu bezpośrednio ze stacji zewnętrznej (obsługiwane tylko elektrozaczepy niskoprądowe), połączenie do bramy bezpośrednio od stacji bramowej.
  • W przypadku posiadania dwóch lub więcej monitorów istnieje możliwość dzwonienia na wybrany - funkcja interkomu
  • Możliwość podłączenia dwóch stacji bramowych (2 drzwi)
  • Po naciśnięciu przycisku dzwonka w stacji bramowej będzie słyszalna melodia dzwonka ustawionego na monitorze.
  • Ramki ekranu wykonane z aluminium.
  • Zasilanie DC 15-24V
  • Wymiary: 260x162x20
  • Pobór mocy: czuwanie – 1,5W   / praca  – 3,6W

Funkcja rejestracji, rozszerzone możliwości systemu

  • Slot na karty SD Tryb zapisu: video lub zdjęcie
  • Możliwość zastosowania karty micro SD do 128 GB (Klasa szybkości minimum 10)
  • Możliwość ustawienia własnego dzwonka pliku MP3 lub MP4 z karty SD
  • Detekcja ruchu - opcjonalnie - regulacja czułości
  • Możliwość ustawienia według harmonogramu głośności dzwonka, rodzaju i czasu dzwonienia według ustalonego przez siebie zakresu godzin.
  • Odtwarzanie zapisanego materiału zdjęciowego lub video z monitora.
  • Różne rodzaje trybu gotowości monitora - ekran wyłączony, wyświetlanie ramki cyfrowej, widżet pogodowy.
  • Możliwość wyświetlania ramki cyfrowej jako albumu np. kilku zdjęć na zmianę - regulacja szybkości wyświetlania.
  • Możliwość ustawienia muzyki w tle ramki cyfrowej - regulacja głośności.
  • Skrzynka głosowa - opcjonalnie - regulowany czas włączenia.

Kamera 5tech 82225 natynkowa

  • Rozdzielczość kamery 2 Mpx 1080p Full HD
  • Obiektyw 1,9mm / kąt widzenia 140°
  • Podświetlenie nocne – LED IR (podczerwień)
  • Wbudowany zamek szyfrowy do otwierania wejścia – max 200 kodów
  • Wbudowany czytnik zbliżeniowy w standardzie MIFARE 13,56MHz – max 200 tagów
  • Otwieranie furtki i bramy niezależnymi kodami
  • Podświetlana klawiatura i przycisk dzwonka
  • Zabezpieczenie przed nieautoryzowanym użyciem
  • Obudowa : aluminium / ABS

Wbudowany czytnik breloków, kart oraz szyfrator

  • Rodzaj czytnika: standard Mifare 13,56 MHz – max 200 tagów
  • Wbudowany zamek szyfrowy: otwieranie wejścia kodem - max 200 kodów
  • Programowanie czasu otwarcia elektrozaczepu z klawiatury
  • Podświetlana klawiatura oraz przycisk dzwonka
  • Zabezpieczenie: ochrona przed nieautoryzowanym użyciem
  • Otwieranie furtki oraz bramy niezależnymi kodami
  • Zasilanie: DC12-15V
  • Zakres temperatur pracy: -40°C ~ +50°C
  • Pobór mocy: czuwanie – 0,3W   / praca  – 0,7 W
  • Klasa szczelności – IP65
  • Programowanie – z klawiatury
  • Wymiary: 69x145x28

Dodatkowe możliwości

  • możliwość podłączenia na dużych odległościach, nawet do 300m (na opcjonalnym zasilaczu 24V)
  • Monitor posiada dodatkowy zestyk COM - NO. Możliwość sterowania dodatkowym gongiem, dodatkowym oświetleniem zewnętrznym lub dowolnym urządzeniem, które uruchomienie odbywa się za pomocą zwarcia między stykam.
  • Wyjście w monitorze na dodatkowy przycisk dzwonkowy, zazwyczaj umieszczany przy drzwiach wejściowych. To rozwiązanie może być przydatne w przypadku jeśli z jakiegoś powodu furtka lub brama już będzie otwarta a osoba odwiedzająca zdążyła już wejść na teren posesji. Wtedy nasz gość może zadzwonić na wideodomofon, przyciskając taki dodatkowy przycisk dzwonkowy.
  • Obsługa kamer IP do 2Mpx. Jeśli posiadasz już w swoim systemie monitoring z kamerami większymi niż 2Mpx to aby wyświetlić obraz z tych kamer na monitorze, wymagane będzie zmiana rozdzielczości tych kamer na 2Mpx (1920x1080, 1080p). Wyjątkiem są niektóre kamery Dahua, w których może nie być konieczna zmiany rozdzielczości głównego obrazu (strumienia) ponieważ obraz na monitor domyślnie wysyłany jest z pod-strumienia (substream). Jest to znacznie niższa rozdzielczość niż 2Mpx lecz w zupełności wystarcza do podglądu obrazu na monitorze. Jest to kompromis pozwalający na brak degradacji obrazu głównego strumienia jeśli kamera jest większa niż 2Mpx a wyświetlaniem obrazu na monitorze.

Skład zestawu:

  • Wewnętrzny monitor sterujący LCD
  • Stacja bramowa
  • Zasilacz sieciowy
  • Przewody montażowe
  • Zestaw montażowy
  • Instrukcja
  • Uchwyt ścienny na monitor

Koszty dostawy Cena nie zawiera ewentualnych kosztów płatności

Kraj wysyłki:
do góry
Sklep jest w trybie podglądu
Pokaż pełną wersję strony
Sklep internetowy Shoper.pl